聯系我們contact us

- 濟寧卓力機械刮板機分公司
- 手機:13280082001
- 聯系人:曹經理
- 電話:0537-2558089
- 郵箱:269628658@qq.com
- 地址:濟寧市國家高新技術產業園區
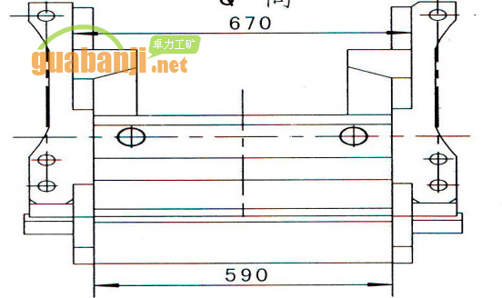
刮板機過渡槽(過渡節,連接槽)
來源:本站 發布時間:2019-02-13 訪問量:4612
過渡槽,也叫過渡節、連接槽、刮板機過渡槽、刮板輸送機過渡槽、溜子過渡槽,適用于煤礦井下用630、730、764等系列刮板輸送機。
過渡槽作用
①過渡槽主要作用是連接機頭架和抬高變線槽, 調節機頭架和抬高槽的高度差。
綜采過渡槽長 3000mm,一端靠兩個定位銷及四個片啞鈴與機頭架相連, 另一端通過啞鈴銷與抬高變線槽相連。
②刮板機過渡槽一端連接刮板機的機頭,一端連接刮板機中部槽,起到高度上過渡,長度上連接的作用。
過渡槽用于連接機頭和中部段,使得刮板由中部段到機頭較平穩運行,以適應卸載高度的要求,并成為推溜、拉架的支承體。
為適應刮板鏈從中部槽平緩運行到機頭鏈輪,在中部槽與機頭架之間設有過渡槽,過渡槽是一種兩端高度不同的溜槽,與中部槽和機頭架聯接端的上槽幫內緣處用碳弧堆焊1.5~2mm厚耐磨合金塊,耐磨塊磨損后,可向廠家購買并更換。
過渡槽分類
過渡槽按主機廠可以分為:張家口煤機過渡槽、山東礦機過渡槽、山西煤機廠過渡槽、西北奔牛過渡槽、鄭煤機過渡槽等。
按使用位置可以分為:機頭過渡槽、機尾過渡槽。
按使用機型可以分為:630、730、764、800、830、900、1000、1200、1250、1400等過渡槽。
濟寧卓力刮板機生產廠家優質供應:刮板機輸送機過渡槽 機頭過渡槽 刮板機過渡槽 刮板輸送機過渡槽 溜子過渡槽 S002-06左過渡槽I S002-05左過渡槽II 105SP型刮板機用過渡槽 150C刮板輸送機過渡槽 大過渡槽 40TX過渡槽 小40過渡槽 SGB420/40TX過渡槽 小40過渡槽 煤溜子過渡槽 刮板機過渡槽 小40刮板輸送機過渡節 30過渡槽 30溜過渡節 煤礦機頭過渡槽 30型溜子過渡槽 22過渡槽 22中單鏈刮板輸送機過渡槽 SGD420/22型刮板機過渡槽 此外還有113S08/0603型張家口SGZ764/500型過渡槽、103S07/0205型張家口型SGZ764/400型刮板機過渡槽、201S05/0102型張家口SGZ1000/1050型后部刮板機過渡槽等。
22型過渡槽,適用于煤礦井下用SGD420/22型中單鏈刮板輸送機。
30型過渡槽、30T型過渡槽,適用于煤礦井下用SGB420/30型刮板輸送機。
小40過渡槽,也叫小40過渡節,適用于煤礦井下用SGB420/40TX、SGB420/40T型刮板輸送機。
SGZ630/220型綜采刮板機機頭過渡槽,適用于煤礦井下用SGZ630/220型刮板機。
150C型過渡槽,適用于煤礦井下用SGB630/150C型刮板輸送機,150C型過渡槽,正常機型分大過渡、二節過渡,由于廠家不同,生產尺寸會有區別。
105SP型刮板機用過渡槽,適用于SGZ764/500型刮板機。該型號綜采過渡槽理論重量4.5噸, 一端靠定位銷及螺栓與機頭架相連,另一端通過聯接環與變線抬高槽相連。
S002-06左過渡槽I,適用于煤礦井下用刮板輸送機。它一端與機頭架連接,一端與抬高槽連接。
S002-05左過渡槽II,適用于煤礦井下綜采刮板輸送機,位于機頭架與變線抬高槽之間。
86SFC01過渡槽 是寧夏天地奔牛630刮板機上用過渡槽,它一端連接刮板機的機頭,一端連接刮板機中部槽,起到高度上過渡,長度上連接的作用。
86SFC08過渡槽 該型號機頭過渡槽,原主機廠是寧夏天地奔牛,適用于煤礦井下用SGZ630/264型刮板機。用于連接機頭和中部槽。
63GH01型號機頭過渡槽,原主機廠是寧夏天地奔牛,適用于煤礦井下用SGZ630/264型刮板機,用于連接機頭和中部槽。
63GH02機尾過渡槽,適用于煤礦井下用SGZ630/264型刮板機。用于連接中部槽和機尾。
此外還有113S08/0603型張家口SGZ764/500型過渡槽、103S07/0205型張家口型SGZ764/400型刮板機過渡槽、201S05/0102型張家口SGZ1000/1050型后部刮板機過渡槽等。



過渡槽作用
①過渡槽主要作用是連接機頭架和抬高變線槽, 調節機頭架和抬高槽的高度差。
綜采過渡槽長 3000mm,一端靠兩個定位銷及四個片啞鈴與機頭架相連, 另一端通過啞鈴銷與抬高變線槽相連。
②刮板機過渡槽一端連接刮板機的機頭,一端連接刮板機中部槽,起到高度上過渡,長度上連接的作用。
過渡槽用于連接機頭和中部段,使得刮板由中部段到機頭較平穩運行,以適應卸載高度的要求,并成為推溜、拉架的支承體。
為適應刮板鏈從中部槽平緩運行到機頭鏈輪,在中部槽與機頭架之間設有過渡槽,過渡槽是一種兩端高度不同的溜槽,與中部槽和機頭架聯接端的上槽幫內緣處用碳弧堆焊1.5~2mm厚耐磨合金塊,耐磨塊磨損后,可向廠家購買并更換。
過渡槽分類
過渡槽按主機廠可以分為:張家口煤機過渡槽、山東礦機過渡槽、山西煤機廠過渡槽、西北奔牛過渡槽、鄭煤機過渡槽等。
按使用位置可以分為:機頭過渡槽、機尾過渡槽。
按使用機型可以分為:630、730、764、800、830、900、1000、1200、1250、1400等過渡槽。
濟寧卓力刮板機生產廠家優質供應:刮板機輸送機過渡槽 機頭過渡槽 刮板機過渡槽 刮板輸送機過渡槽 溜子過渡槽 S002-06左過渡槽I S002-05左過渡槽II 105SP型刮板機用過渡槽 150C刮板輸送機過渡槽 大過渡槽 40TX過渡槽 小40過渡槽 SGB420/40TX過渡槽 小40過渡槽 煤溜子過渡槽 刮板機過渡槽 小40刮板輸送機過渡節 30過渡槽 30溜過渡節 煤礦機頭過渡槽 30型溜子過渡槽 22過渡槽 22中單鏈刮板輸送機過渡槽 SGD420/22型刮板機過渡槽 此外還有113S08/0603型張家口SGZ764/500型過渡槽、103S07/0205型張家口型SGZ764/400型刮板機過渡槽、201S05/0102型張家口SGZ1000/1050型后部刮板機過渡槽等。
22型過渡槽,適用于煤礦井下用SGD420/22型中單鏈刮板輸送機。
30型過渡槽、30T型過渡槽,適用于煤礦井下用SGB420/30型刮板輸送機。
小40過渡槽,也叫小40過渡節,適用于煤礦井下用SGB420/40TX、SGB420/40T型刮板輸送機。
SGZ630/220型綜采刮板機機頭過渡槽,適用于煤礦井下用SGZ630/220型刮板機。
150C型過渡槽,適用于煤礦井下用SGB630/150C型刮板輸送機,150C型過渡槽,正常機型分大過渡、二節過渡,由于廠家不同,生產尺寸會有區別。
105SP型刮板機用過渡槽,適用于SGZ764/500型刮板機。該型號綜采過渡槽理論重量4.5噸, 一端靠定位銷及螺栓與機頭架相連,另一端通過聯接環與變線抬高槽相連。
S002-06左過渡槽I,適用于煤礦井下用刮板輸送機。它一端與機頭架連接,一端與抬高槽連接。
S002-05左過渡槽II,適用于煤礦井下綜采刮板輸送機,位于機頭架與變線抬高槽之間。
86SFC01過渡槽 是寧夏天地奔牛630刮板機上用過渡槽,它一端連接刮板機的機頭,一端連接刮板機中部槽,起到高度上過渡,長度上連接的作用。
86SFC08過渡槽 該型號機頭過渡槽,原主機廠是寧夏天地奔牛,適用于煤礦井下用SGZ630/264型刮板機。用于連接機頭和中部槽。
63GH01型號機頭過渡槽,原主機廠是寧夏天地奔牛,適用于煤礦井下用SGZ630/264型刮板機,用于連接機頭和中部槽。
63GH02機尾過渡槽,適用于煤礦井下用SGZ630/264型刮板機。用于連接中部槽和機尾。
此外還有113S08/0603型張家口SGZ764/500型過渡槽、103S07/0205型張家口型SGZ764/400型刮板機過渡槽、201S05/0102型張家口SGZ1000/1050型后部刮板機過渡槽等。


