聯系我們contact us

- 濟寧卓力機械刮板機分公司
- 手機:13280082001
- 聯系人:曹經理
- 電話:0537-2558089
- 郵箱:269628658@qq.com
- 地址:濟寧市國家高新技術產業園區
刮板機中部槽抬高槽
來源:本站 發布時間:2019-02-12 訪問量:2023
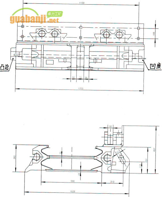
抬高槽 變線抬高槽 刮板機中部槽抬高槽 刮板機抬高槽,刮板輸送機抬高槽 張家口刮板機中部槽抬高槽 山東礦機刮板機中部槽抬高槽 西北奔牛刮板機中部槽抬高槽 1.25米左抬高槽 1.25米右連接槽 咨詢熱線:132 8008 2001 曹經理 卓力竭誠為您服務!
抬高槽分1.25米左抬高槽和1.25米右連接槽兩種,它們分別用于連接機頭、機尾過渡槽和中部段,起進一步過渡作用,使機頭到中部段過渡更平緩,它們的末端各是一個加長的特殊齒條,以便于機組到機頭或機尾時能行走到位(見附圖9左抬高槽、10右連接槽),它們的結構相似,只是它們的抬高方向相對,連接槽的兩邊都是凸沿,以便使中部槽的凹座與機尾過渡槽的凹座連接起來。
山東礦機730系列刮板輸送機變線抬高槽、抬高變線槽、變線槽、抬高槽
該變線抬高槽適用于煤礦井下用730系列刮板輸送機的輸送段,一端與刮板輸送機的過渡槽連接,一端與刮板輸送機的中部槽鏈接,其作用是將過渡槽的高度調節到輸送機中部槽的高度,將機頭架、過渡槽的寬度調整為中部槽的寬度。一般通過一整套的變線、抬高槽的調整,來實現整個的調整過程。
左I抬高槽 156S97/0101
左II變線槽 103S01/0813
左III抬高槽 103S01/0812
右I抬高槽 156S97/0102
右II變線槽 103S01/0814
右III聯結槽 103S01/0819
附圖9左抬高槽

10右連接槽

抬高槽分1.25米左抬高槽和1.25米右連接槽兩種,它們分別用于連接機頭、機尾過渡槽和中部段,起進一步過渡作用,使機頭到中部段過渡更平緩,它們的末端各是一個加長的特殊齒條,以便于機組到機頭或機尾時能行走到位(見附圖9左抬高槽、10右連接槽),它們的結構相似,只是它們的抬高方向相對,連接槽的兩邊都是凸沿,以便使中部槽的凹座與機尾過渡槽的凹座連接起來。
山東礦機730系列刮板輸送機變線抬高槽、抬高變線槽、變線槽、抬高槽
該變線抬高槽適用于煤礦井下用730系列刮板輸送機的輸送段,一端與刮板輸送機的過渡槽連接,一端與刮板輸送機的中部槽鏈接,其作用是將過渡槽的高度調節到輸送機中部槽的高度,將機頭架、過渡槽的寬度調整為中部槽的寬度。一般通過一整套的變線、抬高槽的調整,來實現整個的調整過程。
左I抬高槽 156S97/0101
左II變線槽 103S01/0813
左III抬高槽 103S01/0812
右I抬高槽 156S97/0102
右II變線槽 103S01/0814
右III聯結槽 103S01/0819
附圖9左抬高槽

10右連接槽
